Hochsee (S)- SV PROSPEKTA I- SV PROSPEKTA II- SV EXPLORA- SV MINTROP
Generalpläne
Flachwasser (S) Airgun (S)
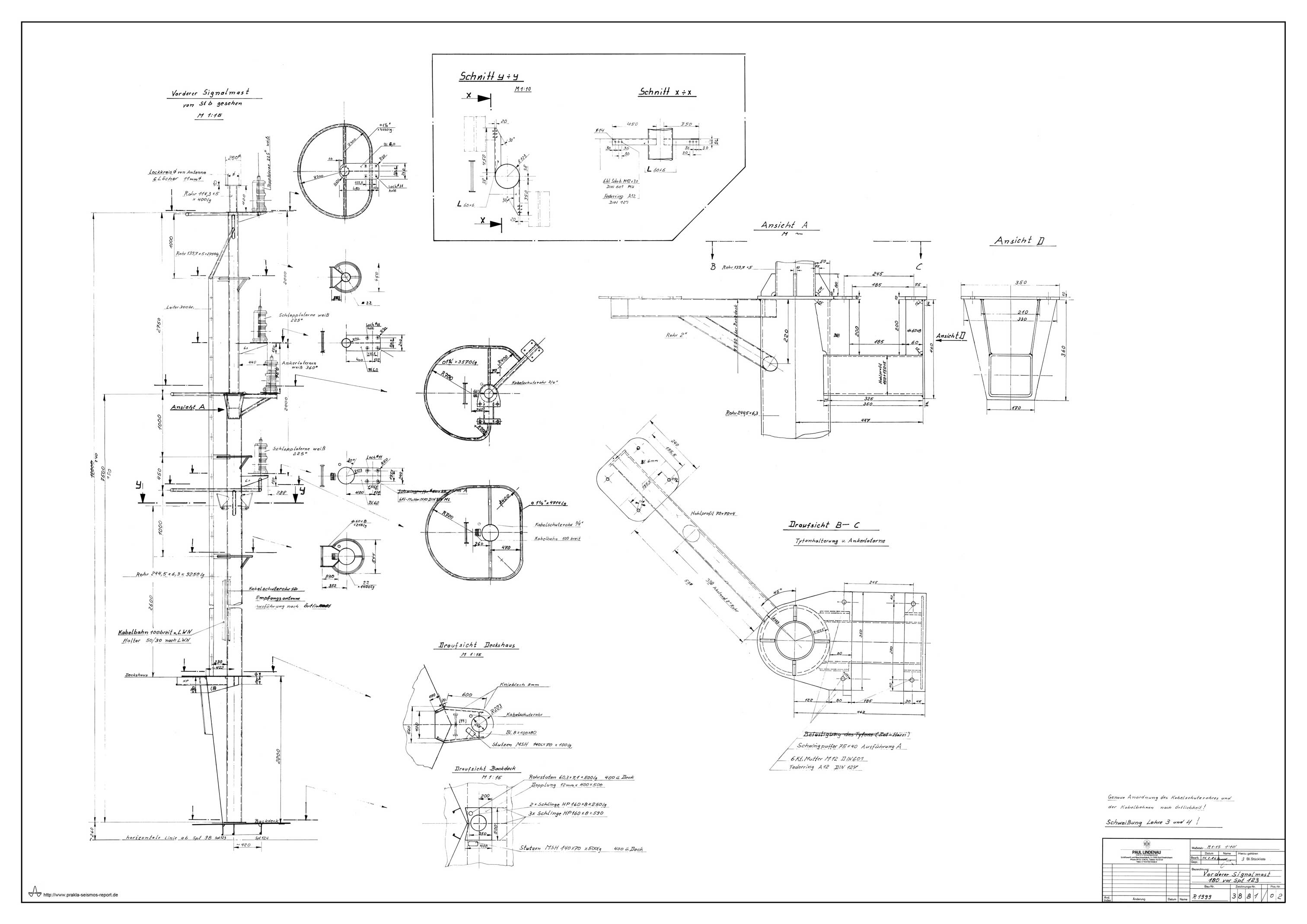
MINTROP Vorderer Signalmast